Err

Audin - Distribution de fournitures en automatisme industriels
Paiement 100% sécurisé
Livraison express
Contact

7000-40701-6330400

MURRELEKTRONIK
Code fabriquant : 7000-40701-6330400
Code AUDIN : A0014962

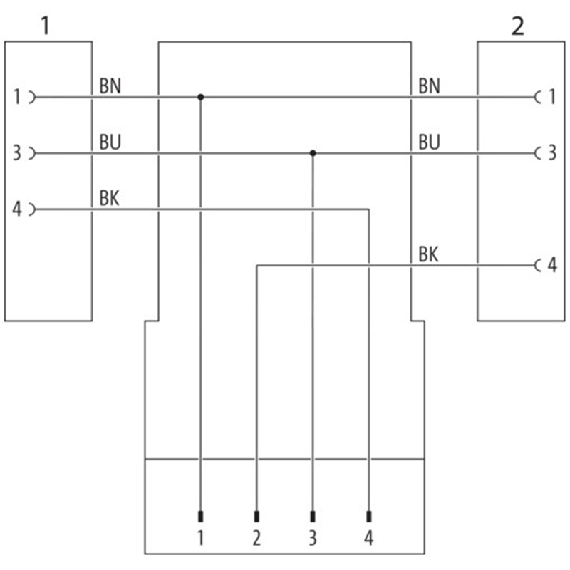
Répartiteur en Y


Répartiteur en Y, M12 Mâle Droit 4p/2xM12 Femelle Droit; Câble PUR UL/CSA 3x0,34 Noir Compatible chaines porte-câbles, 4,0 m
282g
Répartiteur en Y, M12 Mâle Droit 4p/2xM12 Femelle Droit; Câble PUR UL/CSA 3x0,34 Noir Compatible chaines porte-câbles, 4,0 m