Err

Audin - Distribution de fournitures en automatisme industriels
Paiement 100% sécurisé
Livraison express
Contact

C2C-EA21010A10000

SICK
Code fabriquant : 1216130
Code AUDIN : A0215113
Disponible sous 5 jours

Barrage immatériel de sécurité, Type 2, (R), Hauteur 2100mm, Résolution 14mm, Portée 10m


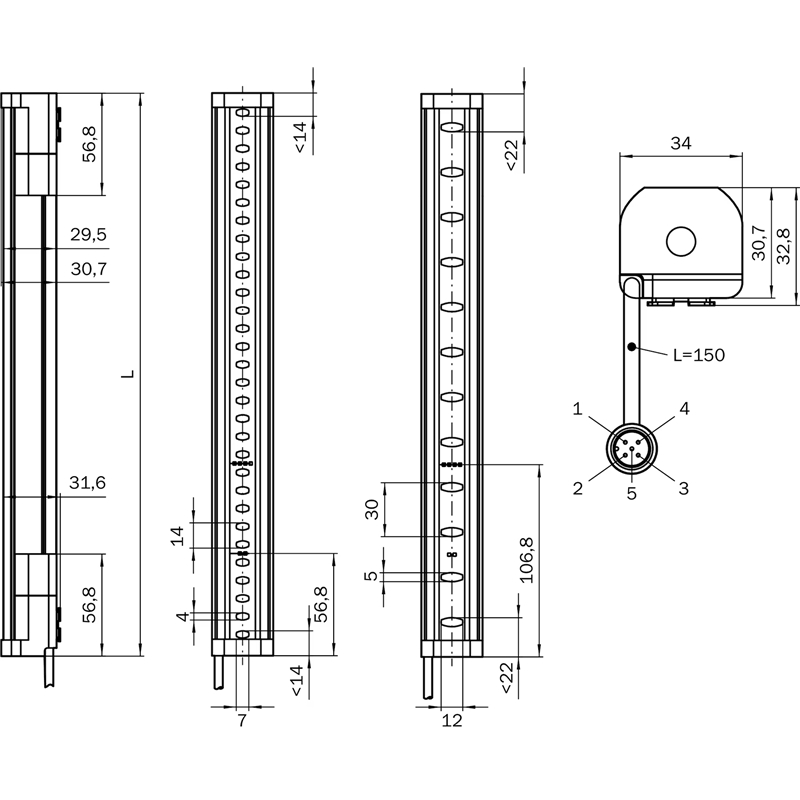
Barrage immatériel de sécurité; Variante deTec: deTec2 Core; Pièce du système: Récepteur; Domaine d'utilisation: Environnement industriel standard; Résolution: 14 mm; Portée: 10 m; Hauteur du champ de protection: 2.100 mm; Type: Type 2; Raccordement du système: Connecteur mâle M12, 5 pôles; Indice de protection: IP65, IP67; Compris dans la livraison: Récepteur, Bâton test; Série: deTec2 Core
1980g
Barrage immatériel de sécurité
• Variante deTec: deTec2 Core
• Pièce du système: Récepteur
• Domaine d'utilisation: Environnement industriel standard
• Résolution: 14 mm
• Portée: 10 m
• Hauteur du champ de protection: 2.100 mm
• Type: Type 2
• Raccordement du système: Connecteur mâle M12, 5 pôles
• Indice de protection: IP65, IP67
• Compris dans la livraison: Récepteur, Bâton test
• Série: deTec2 Core



Généralités


Barrages immatériels de sécurité - deTec

Les barrages immatériels de sécurité intelligents deTec sont idéaux pour protéger les zones dangereuses, les accès et les points dangereux. Les technologies modernes, telles que NFC et IO-Link, augmentent le niveau d’automatisation et donc la productivité grâce à de nombreuses fonctions. Résultat : un diagnostic sur site simple, une mise en service rapide et des données complètes permettant d’automatiser les processus en aval. En outre, le concept de raccordement flexible associé à la conception de boîtier unifiée permet de réduire les travaux de câblage, d’installation et de configuration. Les fonctions requises sont activées sans logiciel par le connecteur système correspondant. Grâce à différents types de protection ainsi qu’à des variantes pour les zones potentiellement explosives, deTec offre également des solutions pour les applications dans les environnements difficiles.

Caractéristiques


• Diagnostic NFC et appli pour smartphone
• Diagnostic et automatisation par IO-Link
• Détection d’échantillons d’objets avec Smart Box Detection
• 2-Signal-Muting
• Prévention intelligente du contournement
• Configuration de toutes les fonctions sans logiciel
• Résolution réduite : 1 ou 2 faisceaux
• Différents indices de protection, ainsi que des variantes pour les zones potentiellement explosives