Err

Audin - Distribution de fournitures en automatisme industriels
Paiement 100% sécurisé
Livraison express
Contact

C2MT-04234BBC04DE0

SICK
Code fabriquant : 1207909
Code AUDIN : A0060608
Disponible sous 5 jours

Barrage immatériel de sécurité, Type 2, Hauteur 420mm, Résolution 34mm, cascadable


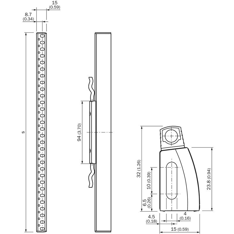
Barrage immatériel de sécurité; Pièce du système: 1 Twin-Stick; Utilisation: miniTwin2 comme appareil en cascade maître ou esclave – pas comme appareil de fin de cascade; Type de fixation: Fixation C-Fix ou L-Fix; Portée: 8 m; Résolution: 34 mm; Hauteur du champ de protection: 420 mm; Raccordement du système: Connecteur mâle M12, 5 pôles; Connecteur d'extension: Connecteur femelle M12, 5 pôles; Série: miniTwin2
312g
Barrage immatériel de sécurité
• Pièce du système: 1 Twin-Stick
• Utilisation: miniTwin2 comme appareil en cascade maître ou esclave – pas comme appareil de fin de cascade
• Type de fixation: Fixation C-Fix ou L-Fix
• Portée: 8 m
• Résolution: 34 mm
• Hauteur du champ de protection: 420 mm
• Raccordement du système: Connecteur mâle M12, 5 pôles
• Connecteur d'extension: Connecteur femelle M12, 5 pôles
• Série: miniTwin2



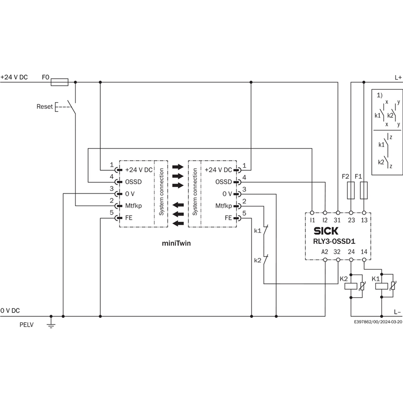
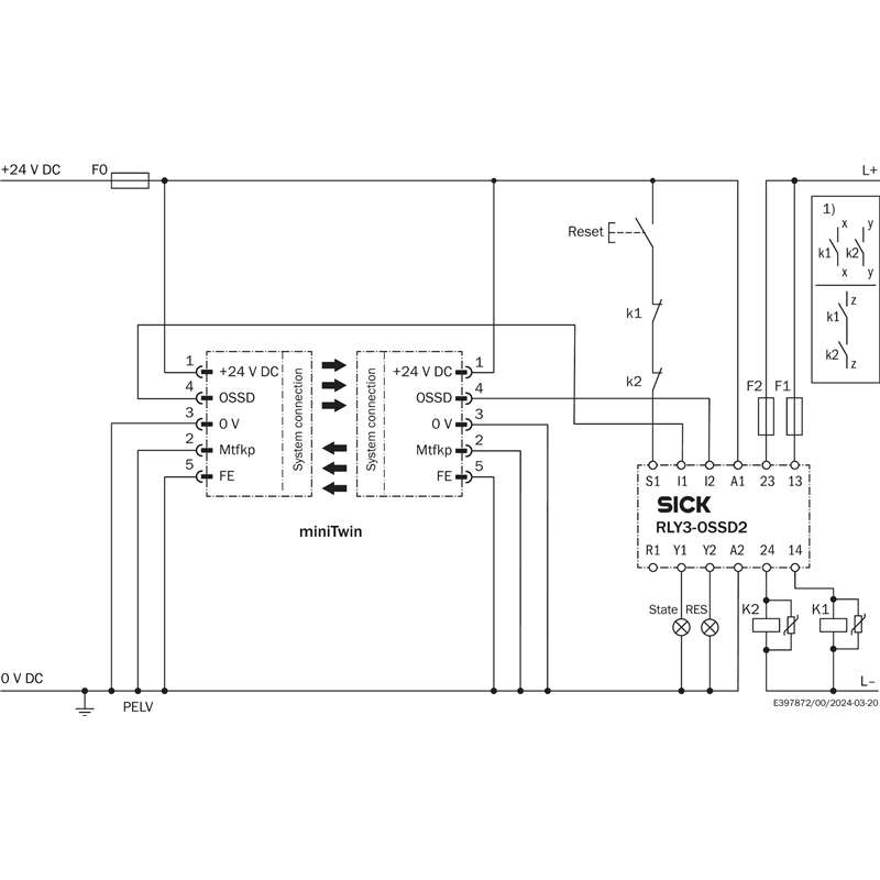
Généralités


Barrages immatériels de sécurité - miniTwin
Le barrage immatériel le plus compact offrant le niveau de protection le plus élevé

Cela fait déjà plus de 10 ans que le miniTwin – le barrage immatériel de sécurité en format miniature – fait partie des best-sellers de SICK en matière de protection des doigts et des mains. Ses deux Twin Sticks, dans lesquels les émetteurs et les récepteurs sont pour la première fois installés symétriquement dans un boîtier compact, ont reçu plusieurs récompenses. L’un des Twin Sticks est monté pivoté de 180 degrés par rapport à l’autre. Cela permet de créer un champ de protection sûr. La conception miniature du miniTwin, la possibilité de le configurer en cascade et ses différentes hauteurs de champ de protection permettent d’économiser de l’espace de production et de réduire les distances de sécurité. Petit mais performant : il fonctionne parfaitement même en cas de chocs et de vibrations très fortes et de températures allant jusqu’à –20° Celsius.

Caractéristiques


• Twin Sticks : émetteur et récepteur dans un boîtier compact
• Différentes hauteurs de champ de protection, de 60 mm chacune
• Diagnostic par visualisation du champ de protection
• Mise en service et alignement à l’aide de LEDs de couleur, configuration sans logiciel
• Possibilité de configuration en cascade
• Supports spécifiques à l’application