Err

Audin - Distribution de fournitures en automatisme industriels
Paiement 100% sécurisé
Livraison express
Contact

C4C-SA04530A10000

SICK
Code fabriquant : 1211492
Code AUDIN : A0061813
Disponible sous 5 jours

Barrage immatériel de sécurité, Type 4, (Émetteur), Hauteur 450mm, Résolution 30mm, Portée 15m


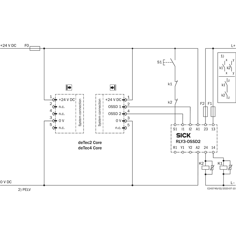
Barrage immatériel de sécurité; Niveau de sécurité: Type 4, PL e, SIL3, SILCL3; Variante deTec: deTec4 Core; Pièce du système: Émetteur; Résolution: 30 mm; Portée: 15 m; Hauteur du champ de protection: 450 mm; Raccordement du système: Connecteur mâle M12, 5 pôles; Indice de protection: IP65, IP67; Domaine d'utilisation: Environnement industriel standard; Compris dans la livraison: Émetteur; Série: deTec4 Core
473g
Barrage immatériel de sécurité
• Niveau de sécurité: Type 4, PL e, SIL3, SILCL3
• Variante deTec: deTec4 Core
• Pièce du système: Émetteur
• Résolution: 30 mm
• Portée: 15 m
• Hauteur du champ de protection: 450 mm
• Raccordement du système: Connecteur mâle M12, 5 pôles
• Indice de protection: IP65, IP67
• Domaine d'utilisation: Environnement industriel standard
• Compris dans la livraison: Émetteur
• Série: deTec4 Core



Généralités


Barrages immatériels de sécurité - deTec

Les barrages immatériels de sécurité intelligents deTec sont idéaux pour protéger les zones dangereuses, les accès et les points dangereux. Les technologies modernes, telles que NFC et IO-Link, augmentent le niveau d’automatisation et donc la productivité grâce à de nombreuses fonctions. Résultat : un diagnostic sur site simple, une mise en service rapide et des données complètes permettant d’automatiser les processus en aval. En outre, le concept de raccordement flexible associé à la conception de boîtier unifiée permet de réduire les travaux de câblage, d’installation et de configuration. Les fonctions requises sont activées sans logiciel par le connecteur système correspondant. Grâce à différents types de protection ainsi qu’à des variantes pour les zones potentiellement explosives, deTec offre également des solutions pour les applications dans les environnements difficiles.

Caractéristiques


• Diagnostic NFC et appli pour smartphone
• Diagnostic et automatisation par IO-Link
• Détection d’échantillons d’objets avec Smart Box Detection
• 2-Signal-Muting
• Prévention intelligente du contournement
• Configuration de toutes les fonctions sans logiciel
• Résolution réduite : 1 ou 2 faisceaux
• Différents indices de protection, ainsi que des variantes pour les zones potentiellement explosives
Articles de la même série