Err

Audin - Distribution de fournitures en automatisme industriels
Paiement 100% sécurisé
Livraison express
Contact

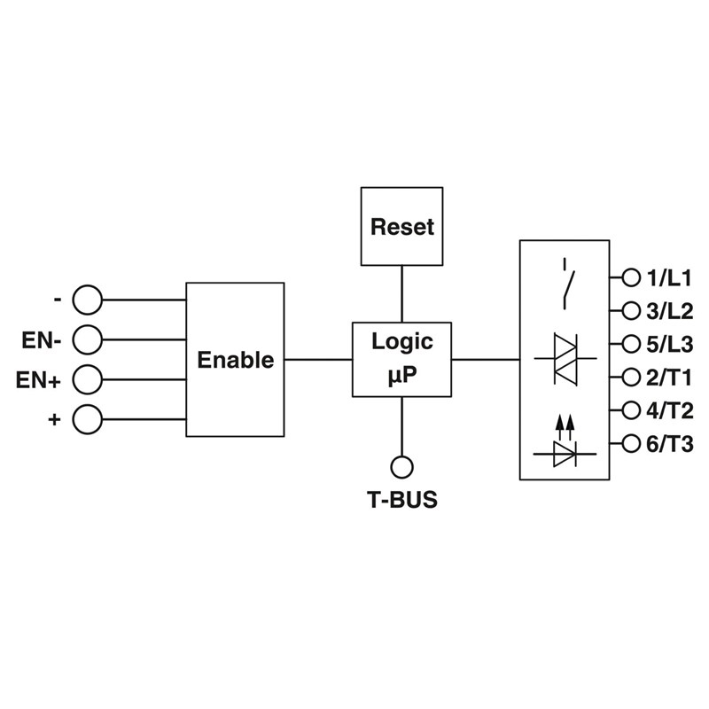
ELR H3-IES-PT/500AC-3-IFS

PHOENIX CONTACT
Code fabriquant : 2905142
Code AUDIN : A0382976
Disponible sous 7 jours

Démarreur moteur hybride


Démarreur moteur hybride "3 en 1", communicant, démarrage direct, protection thermique du moteur, fonction "arrêt d'urgence", jusqu'à 3A, Push-In
283g
Démarreur moteur hybride à mettre en réseau pour le démarrage de moteurs CA triphasés jusqu'à 500 V CA, intensité de sortie : 3 A, fonction d'arrêt d'urgence, coupure de surcharge réglable et raccordement Push-in, connecteur sur profilé inclus.



Avantages


• Largeur 22,5 mm
• Niveau de sécurité conformément à CEI 61508-1 : SIL 3, ISO 13849 : PL e
• Économies de câblage
• Gain de place
• Longue durée de vie
• Pont à boucles triphasé
• Courant réglable pour fonction bilame
• Commutation à faible usure