Err

Audin - Distribution de fournitures en automatisme industriels
Paiement 100% sécurisé
Livraison express
Contact

ELR H5-IES-PT/500AC-06-IFS

PHOENIX CONTACT
Code fabriquant : 2905138
Code AUDIN : A0382972
Disponible sous 10 jours

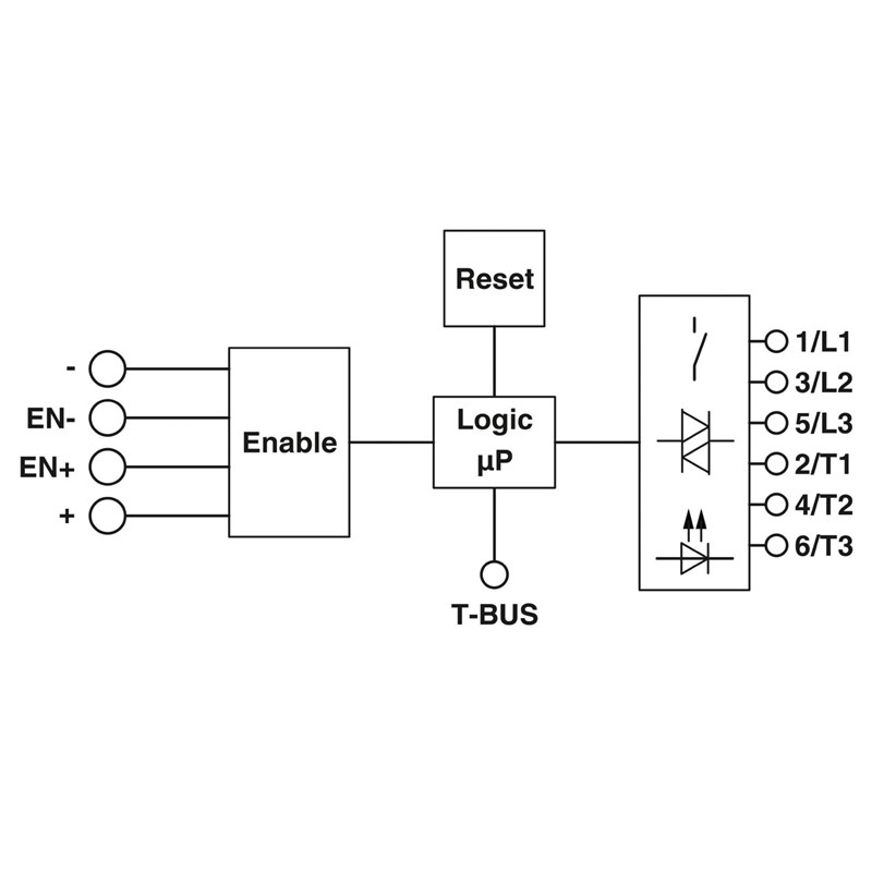
Démarreur moteur hybride


Démarreur moteur hybride "4 en 1", communicant, inversion de marche, protection thermique du moteur, fonction "arrêt d'urgence", Push-In
283g
Démarreur moteur hybride à mettre en réseau pour l'inversion de moteurs AC triphasés jusqu'à 500 V AC et intensité de sortie 0,6 A avec coupure de surcharge réglable, fonction d'arrêt d'urgence jusqu'à SIL 3 / PL e et raccordement Push-in, connecteur sur profilé inclus.



Avantages


• Largeur 22,5 mm
• Niveau de sécurité conformément à CEI 61508-1 : SIL 3, ISO 13849 : PL e
• Économies de câblage
• Gain de place
• Longue durée de vie
• Pont à boucles triphasé
• Courant réglable pour fonction bilame
• Commutation à faible usure