Err

Audin - Distribution de fournitures en automatisme industriels
Paiement 100% sécurisé
Livraison express
Contact

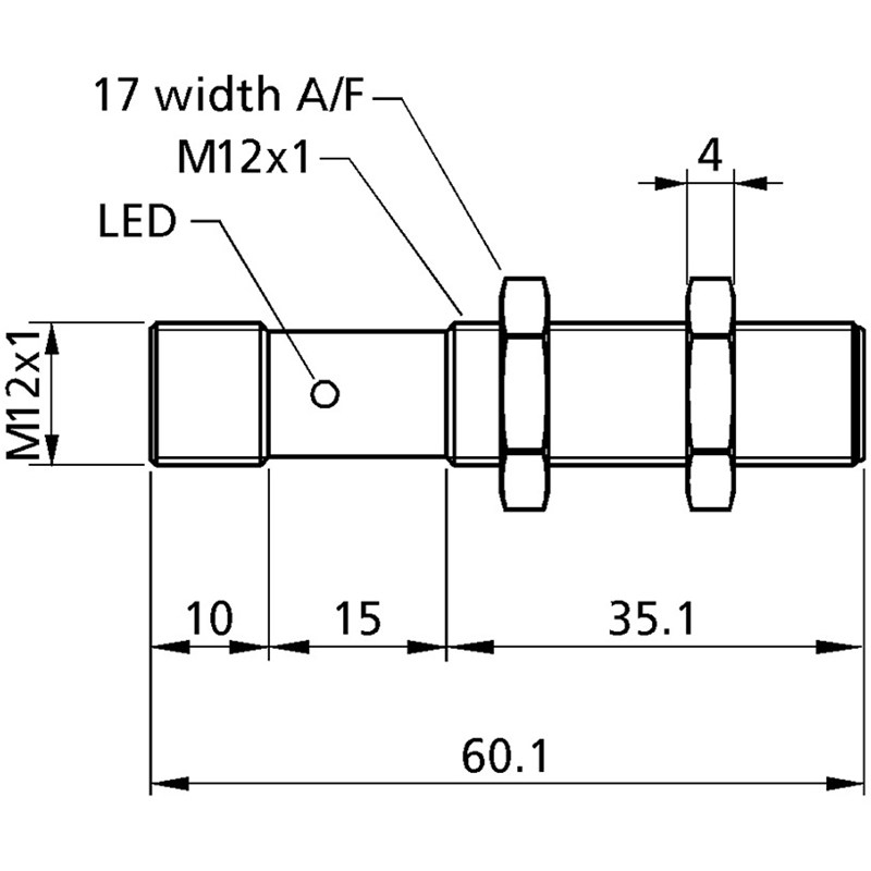
nano-24/CI

MICROSONIC
Code fabriquant : 34007
Code AUDIN : A0574992
Disponible sous 10 jours

Capteur à ultrasons


Détecteur à ultrasons
0g
Détecteur à ultrasons