Err

Audin - Distribution de fournitures en automatisme industriels
Paiement 100% sécurisé
Livraison express
Contact

PSR-SCP- 24UC/ESAM4/3X1/1X2/B

PHOENIX CONTACT
Code fabriquant : 2900509
Code AUDIN : A0381731
Disponible sous 6 jours

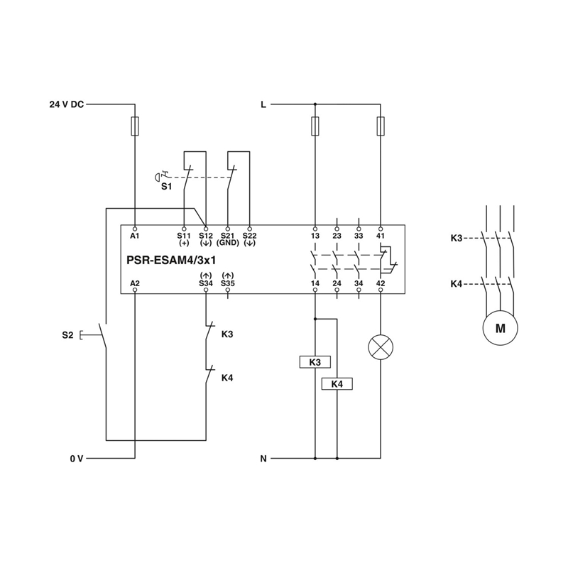
Relais de sécurité


Relais de sécurité pour la surveillance des arrêts d'urgence et des portes de protection jusqu'au SIL 3 ou à la catégorie 4, PL e selon la norme EN ISO 13849, fonctionnement à 2 canaux, 3 circuits de validation, tension nominale d'entrée : 24 V DC, bloc de jonction à vis enfichable, largeur : 22,5 mm
137g
Relais de sécurité pour la surveillance des arrêts d'urgence et des portes de protection jusqu'au SIL 3 ou à la catégorie 4, PL e selon la norme EN ISO 13849, fonctionnement à 2 canaux, 3 circuits de validation, tension nominale d'entrée : 24 V DC, bloc de jonction à vis enfichable, largeur : 22,5 mm
______________________________________

Avantages :
• Jusqu'à la cat. 4/PL e selon la norme EN ISO 13849-1, SIL 3 selon la norme EN CEI 62061, SIL 3 selon la norme CEI 61508
• Activation surveillée manuellement et automatique dans un appareil
• Isolation de base
• Pilotage de 2 canaux
• 3 circuits à fermeture, 1 circuit de signalisation